Menu
Home
Store
Latest reviews
Search products
Forums
New posts
Search forums
What's new
New posts
New products
New profile posts
Latest activity
Members
Current visitors
New profile posts
Search profile posts
WALLET
WALLET
Loading…
Log in
Register
Cart
Cart
Loading…
Search
Search titles only
By:
Search titles only
By:
Search
Search titles only
By:
Search titles only
By:
Menu
Install the app
Install
Latest activity
How to get Beer in the DHTAuto.com forum
⇋
Automotive Account Online for Diagnostic and Repair Manual
⇋
Toyota_Lexus_Scion Stock file (Original file)
⇋
Toyota Account Login Service Information
⇋
GM Techline Connect and Account Login
⇋
Alldata Online account used on official website for 1 year
⇋
Ford IDS and FDRS Dealer Software License
JavaScript is disabled. For a better experience, please enable JavaScript in your browser before proceeding.
You are using an out of date browser. It may not display this or other websites correctly.
You should upgrade or use an
alternative browser
.
What's new
New posts
New products
New profile posts
Latest activity
Nadezhda
posted the thread
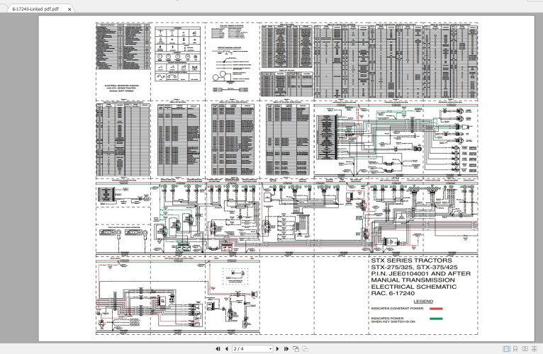
Case IH STX Series STX275_325_375_425 Tractors Electrical Schematic_6-17240
in
For Share/ Free Download
.
Case IH STX Series STX275_325_375_425 Tractors Electrical Schematic_6-17240 Fomat: PDF Language: English Part No: 6-17240 Model: Case...
Feb 3, 2026
Signout
replied to the thread
Ford Tractor 600-800 Owner's Manual
.
compact manual but useful.
Feb 3, 2026
Nadezhda
posted the thread
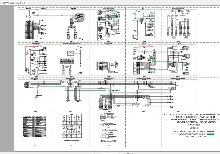
Case IH Series STX 275,325,375,425,450,500 Tractors Electrical Schematic_87535258
in
For Share/ Free Download
.
Case IH Series STX 275,325,375,425,450,500 Tractors Electrical Schematic_87535258 Number of page: 4 pages Language: English Type of...
Feb 3, 2026
Signout
replied to the thread
Chinese Trucks Circuit Diagram [Shop Manuals/ Repair Manuals]
.
wiring info is clear.
Feb 3, 2026
Nadezhda
posted the thread
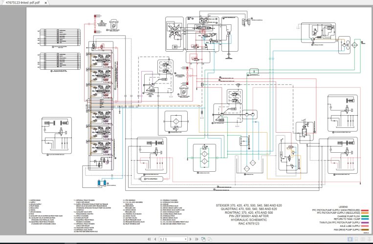
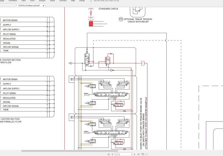
CASE IH Series Steiger_Quadtrac_Rowtrac 370_420_470_500_540_580_620 Hydraulic Schematic
in
For Share/ Free Download
.
CASE IH Series Steiger_Quadtrac_Rowtrac 370_420_470_500_540_580_620 Hydraulic Schematic Type of document: Hydraulic Schematic Number of...
Feb 3, 2026
Nadezhda
posted the thread
CASE IH Series Steiger_Quadtrac_Rowtrac 370_420_470_500_540_580_620 Electrical Schematic_47901802
in
For Share/ Free Download
.
CASE IH Series Steiger_Quadtrac_Rowtrac 370_420_470_500_540_580_620 Electrical Schematic_47901802 Model: CASE Series...
Feb 3, 2026
Signout
replied to the thread
Nissan LD 20 & 28 service manual
.
Looks good, helps a lot in workshop work.
Feb 3, 2026
Signout
replied to the thread
Terex Telelift TX 66-41 Telehandler Parts Manual
.
Nice file, ok for learning procedures.
Feb 3, 2026
Signout
replied to the thread
Ford Tractor 600-800 Owner's Manual
.
Looks good, good doc for workshop practice.
Feb 3, 2026
Signout
replied to the thread
Nissan LD 20 & 28 service manual
.
Good stuff, ok for planning repair tasks.
Feb 3, 2026
Signout
replied to the thread
Dodge Ram 1500-2500-3500 2003 Service Manual
.
Ok doc, helps a lot in workshop work.
Feb 3, 2026
Signout
replied to the thread
Toyota Camry HV 2012-2017 Service and Repair Manual
.
fits daily garage jobs.
Feb 3, 2026
Signout
replied to the thread
Freightliner Engine D06-24826 Wiring Diagram
.
good for tracing circuits.
Feb 3, 2026
Signout
replied to the thread
Lexus UX 250h AWD L4-2.0L (M20A-FXS) 2020 Hybrid Electric Diagram
.
ok for short/open circuit checks. tks.
Feb 3, 2026
Signout
replied to the thread
Lexus UX 250h AWD L4-2.0L (M20A-FXS) 2020 Hybrid Electric Diagram
.
wiring info is clear.
Feb 3, 2026
Top
Bottom