Menu
Home
Store
Latest reviews
Search products
Forums
New posts
Search forums
What's new
New posts
New products
New profile posts
Latest activity
Members
Current visitors
New profile posts
Search profile posts
WALLET
WALLET
Loading…
Log in
Register
Cart
Cart
Loading…
Search
Search titles only
By:
Search titles only
By:
Search
Search titles only
By:
Search titles only
By:
Menu
Install the app
Install
Latest activity
How to get Beer in the DHTAuto.com forum
⇋
Automotive Account Online for Diagnostic and Repair Manual
⇋
Toyota_Lexus_Scion Stock file (Original file)
⇋
Toyota Account Login Service Information
⇋
GM Techline Connect and Account Login
⇋
Alldata Online account used on official website for 1 year
⇋
Ford IDS and FDRS Dealer Software License
JavaScript is disabled. For a better experience, please enable JavaScript in your browser before proceeding.
You are using an out of date browser. It may not display this or other websites correctly.
You should upgrade or use an
alternative browser
.
What's new
New posts
New products
New profile posts
Latest activity
Nadezhda
posted the thread
CASE IH Magnum 250 280 310 340 Rowtrac Powershift Transmission (PST) Tractor Service Manual
in
For Share/ Free Download
.
CASE IH Magnum 250 280 310 340 Rowtrac Powershift Transmission (PST) Tractor Service Manual Model: CASE 250, 280, 310, 340 Rowtrac...
Jan 15, 2026
Nadezhda
posted the thread
CASE IH Magnum 250 280 310 340 380 CVT Tractors Service Manual
in
For Share/ Free Download
.
CASE IH Magnum 250 280 310 340 380 CVT Tractors Service Manual Type of document: Repair Manual - Service Manual Type of machine...
Jan 15, 2026
Nadezhda
posted the thread
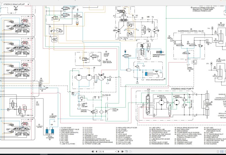
CASE IH MAGNUM 235_260_290_315_340_370 Tractors Hydraulic Schematics_47605412
in
For Share/ Free Download
.
CASE IH MAGNUM 235_260_290_315_340_370 Tractors Hydraulic Schematics_47605412 Model: CASE MAGNUM 235_MAGNUM 260_MAGNUM 290_MAGNUM...
Jan 15, 2026
Nadezhda
posted the thread
CASE IH MAGNUM 235_260_290_315_340_370 Tractors Hydraulic Schematics_47451827
in
For Share/ Free Download
.
CASE IH MAGNUM 235_260_290_315_340_370 Tractors Hydraulic Schematics_47451827 Type of document: Electrical Schematic Language: English...
Jan 15, 2026
Nadezhda
posted the thread
CASE IH MAGNUM 235_260_290_315_340_370 Tractors Electrical Schematics_47451825
in
For Share/ Free Download
.
CASE IH MAGNUM 235_260_290_315_340_370 Tractors Electrical Schematics_47451825 Type of document: Electrical Schematic Type of machine...
Jan 15, 2026
Nadezhda
posted the thread
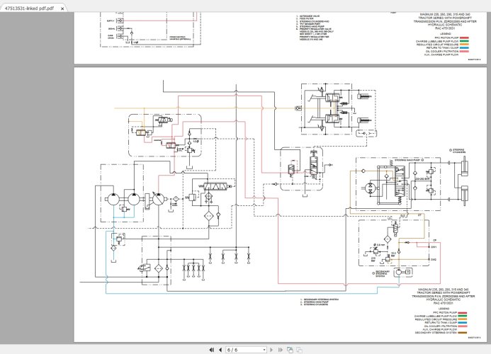
CASE IH MAGNUM 235_260_290_315_340 Tractors Hydraulic Schematics_47513531
in
For Share/ Free Download
.
CASE IH MAGNUM 235_260_290_315_340 Tractors Hydraulic Schematics_47513531 Part No: 47513531 Language: English Type of document...
Jan 15, 2026
Nadezhda
posted the thread
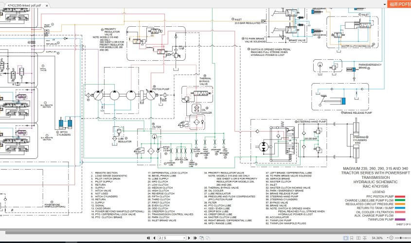
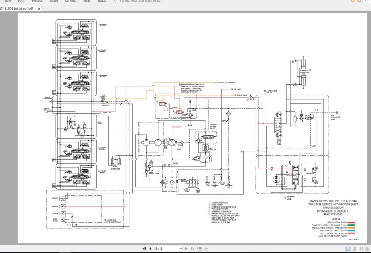
CASE IH MAGNUM 235_260_290_315_340 Tractors Hydraulic Schematics_47431595
in
For Share/ Free Download
.
CASE IH MAGNUM 235_260_290_315_340 Tractors Hydraulic Schematics_47431595 Type of machine: Tractor Fomat: PDF Brand: Case IH Part No...
Jan 15, 2026
Nadezhda
posted the thread
CASE IH MAGNUM 235_260_290_315_340 Tractors Electrical Schematics_84414787
in
For Share/ Free Download
.
CASE IH MAGNUM 235_260_290_315_340 Tractors Electrical Schematics_84414787 Type of document: Electrical Schematic Type of machine...
Jan 15, 2026
Nadezhda
posted the thread
CASE IH MAGNUM 235_260_290_315_340 Tractors Electrical Schematics_47516259
in
For Share/ Free Download
.
CASE IH MAGNUM 235_260_290_315_340 Tractors Electrical Schematics_47516259 Language: English Number of page: 6 pages Type of machine...
Jan 15, 2026
Nadezhda
posted the thread
Case IH Magnum 235 260 290 315 340 Tractor Service Manual
in
For Share/ Free Download
.
Case IH Magnum 235 260 290 315 340 Tractor Service Manual Fomat: PDF Type of document: Repair Manual - Service Manual Brand: Case IH...
Jan 15, 2026
Nadezhda
posted the thread
Case IH Magnum 235 260 290 315 340 Powershift Transmission Tractor Service Manual
in
For Share/ Free Download
.
Case IH Magnum 235 260 290 315 340 Powershift Transmission Tractor Service Manual language: English Type of document: Repair Manual -...
Jan 15, 2026
Nadezhda
posted the thread
CASE IH Magnum 235 260 290 315 340 370 CVT Tractors Service Manual
in
For Share/ Free Download
.
CASE IH Magnum 235 260 290 315 340 370 CVT Tractors Service Manual Fomat: PDF Model: CASE 235, CASE 260, CASE 290, CASE 315, CASE 340...
Jan 15, 2026
Nadezhda
posted the thread
CASE IH Magnum 215, 245, 275, 305, 335 Series Tractors_84176636 Service Manual
in
For Share/ Free Download
.
CASE IH Magnum 215, 245, 275, 305, 335 Series Tractors_84176636 Service Manual Part No: 84176636 language: English Fomat: PDF Number of...
Jan 15, 2026
Nadezhda
posted the thread
CASE IH Magnum 180, 190, 210 Series Tractors with Powershift Transmission Service Manual_84286747
in
For Share/ Free Download
.
CASE IH Magnum 180, 190, 210 Series Tractors with Powershift Transmission Service Manual_84286747 Type of machine: Tractor Brand: Case...
Jan 15, 2026
Nadezhda
posted the thread
CASE IH Magnum 180 200 220 240 CVT Tractors PIN ZERH02500 & Above Service Manual
in
For Share/ Free Download
.
CASE IH Magnum 180 200 220 240 CVT Tractors PIN ZERH02500 & Above Service Manual Language: English Model: CASE 180, 200, 220, 240 CVT...
Jan 15, 2026
Top
Bottom