Menu
Home
Store
Latest reviews
Search products
Forums
New posts
Search forums
What's new
New posts
New products
New profile posts
Latest activity
Members
Current visitors
New profile posts
Search profile posts
WALLET
WALLET
Loading…
Log in
Register
Cart
Cart
Loading…
Search
Search titles only
By:
Search titles only
By:
Search
Search titles only
By:
Search titles only
By:
Menu
Install the app
Install
Nadezhda's latest activity
How to get Beer in the DHTAuto.com forum
⇋
Automotive Account Online for Diagnostic and Repair Manual
⇋
Toyota_Lexus_Scion Stock file (Original file)
⇋
Toyota Account Login Service Information
⇋
GM Techline Connect and Account Login
⇋
Alldata Online account used on official website for 1 year
⇋
Ford IDS and FDRS Dealer Software License
JavaScript is disabled. For a better experience, please enable JavaScript in your browser before proceeding.
You are using an out of date browser. It may not display this or other websites correctly.
You should upgrade or use an
alternative browser
.
Nadezhda
posted the thread
Case IH STX Series STX275_325_375_425_450 Tractors Electrical Schematic_6-12250
in
For Share/ Free Download
.
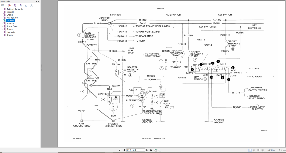
Case IH STX Series STX275_325_375_425_450 Tractors Electrical Schematic_6-12250 Type of document: Electrical Schematic Brand: Case IH...
Feb 3, 2026
Nadezhda
posted the thread
Case IH STX Series STX275_325_375_425 Tractors Electrical Schematic_6-17240
in
For Share/ Free Download
.
Case IH STX Series STX275_325_375_425 Tractors Electrical Schematic_6-17240 Fomat: PDF Language: English Part No: 6-17240 Model: Case...
Feb 3, 2026
Nadezhda
posted the thread
Case IH Series STX 275,325,375,425,450,500 Tractors Electrical Schematic_87535258
in
For Share/ Free Download
.
Case IH Series STX 275,325,375,425,450,500 Tractors Electrical Schematic_87535258 Number of page: 4 pages Language: English Type of...
Feb 3, 2026
Nadezhda
posted the thread
CASE IH Series Steiger_Quadtrac_Rowtrac 370_420_470_500_540_580_620 Hydraulic Schematic
in
For Share/ Free Download
.
CASE IH Series Steiger_Quadtrac_Rowtrac 370_420_470_500_540_580_620 Hydraulic Schematic Type of document: Hydraulic Schematic Number of...
Feb 3, 2026
Nadezhda
posted the thread
CASE IH Series Steiger_Quadtrac_Rowtrac 370_420_470_500_540_580_620 Electrical Schematic_47901802
in
For Share/ Free Download
.
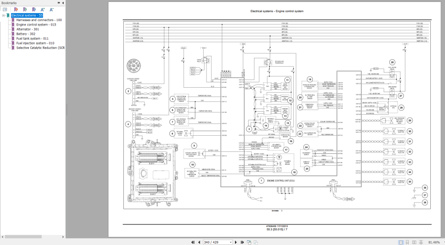
CASE IH Series Steiger_Quadtrac_Rowtrac 370_420_470_500_540_580_620 Electrical Schematic_47901802 Model: CASE Series...
Feb 3, 2026
Nadezhda
posted the thread
CASE IH Series Steiger_Quadtrac_Rowtrac 370_420_470_500_540_580_620 Electrical Schematic_47901802
in
For Share/ Free Download
.
CASE IH Series Steiger_Quadtrac_Rowtrac 370_420_470_500_540_580_620 Electrical Schematic_47901802 Language: English Fomat: PDF Brand...
Jan 22, 2026
Nadezhda
posted the thread
CASE IH Series Steiger_Quadtrac_Rowtrac 370_420_470_500_540_580_620 Electrical Schematic
in
For Share/ Free Download
.
CASE IH Series Steiger_Quadtrac_Rowtrac 370_420_470_500_540_580_620 Electrical Schematic Language: English Brand: Case IH Part No...
Jan 22, 2026
Nadezhda
posted the thread
CASE IH Series Steiger_Quadtrac_Rowtrac 350_400_450_550_600 Electrical Schematic_84416539
in
For Share/ Free Download
.
CASE IH Series Steiger_Quadtrac_Rowtrac 350_400_450_550_600 Electrical Schematic_84416539 Fomat: PDF Brand: Case IH Type of machine...
Jan 22, 2026
Nadezhda
posted the thread
CASE IH Series Steiger_Quadtrac_Rowtrac 350_400_450_550_600 Electrical Schematic_84416537
in
For Share/ Free Download
.
CASE IH Series Steiger_Quadtrac_Rowtrac 350_400_450_550_600 Electrical Schematic_84416537 Model: CASE Steiger_Quadtrac_Rowtrac...
Jan 22, 2026
Nadezhda
posted the thread
CASE IH Series MXU 100, 110, 115, 125, 130, 135 Tractors Repair Manual
in
For Share/ Free Download
.
CASE IH Series MXU 100, 110, 115, 125, 130, 135 Tractors Repair Manual Brand: Case IH Type of document: Repair Manual - Service Manual...
Jan 20, 2026
Nadezhda
posted the thread
CASE IH Series Magnum 235,260,290,315,340 NA Service Manual(Transmission_47393616)
in
For Share/ Free Download
.
CASE IH Series Magnum 235,260,290,315,340 NA Service Manual(Transmission_47393616) Type of document: Repair Manual - Service Manual...
Jan 20, 2026
Nadezhda
posted the thread
Case IH Series DX18E, DX22E, DX24E and DX25E Tractors Repair Manual
in
For Share/ Free Download
.
Case IH Series DX18E, DX22E, DX24E and DX25E Tractors Repair Manual Part No: 87352317 to 87352319 Type of document: Repair Manual...
Jan 20, 2026
Nadezhda
posted the thread
Case IH Series D and DX 35, 40 and 45 Tractors Repair Manual
in
For Share/ Free Download
.
Case IH Series D and DX 35, 40 and 45 Tractors Repair Manual Model: Case D35,D40,D45,DX35,DX40,DX45 Type of document: Repair Manual -...
Jan 20, 2026
Nadezhda
posted the thread
CASE IH SB521_SB531_SB541(SB541C)_SB551 Square Bale Service Manual
in
For Share/ Free Download
.
CASE IH SB521_SB531_SB541(SB541C)_SB551 Square Bale Service Manual Fomat: PDF Type of document: Service Manual Brand: Case IH Part No...
Jan 20, 2026
Nadezhda
posted the thread
CASE IH Rowtrac_Steiger_Quadtrac 370-420-470-500-540-580-620 Tier 4B(Final) Tractors Service Manual
in
For Share/ Free Download
.
CASE IH Rowtrac_Steiger_Quadtrac 370-420-470-500-540-580-620 Tier 4B(Final) Tractors Service Manual Type of document: Service Manual...
Jan 16, 2026
Top
Bottom